
| Input輸入特性 | |||
|---|---|---|---|
| 輸入電壓範圍 | 輸入浪湧電壓(<100ms) | 輸入啓動閥值 | 欠壓關斷閥值 |
| 28V(9~40Vdc) | 50Vdc | 8.6Vdc,typ | 8Vdc,typ |
| 28V(16~40Vdc) | 50Vdc | 15Vdc,typ | 14Vdc,typ |
| Output輸出特性 | |
|---|---|
| 輸出電壓精度 | ±1%,max. |
| 輸出功率 | 100~300W |
| 輸出電壓調節範圍 | ±10%Vout,typ. |
| 源效應(電壓調整率) | ±1%,typ. |
| 負載效應(負載調整率) | ±1%,typ. |
| 瞬态響應 50%-75%-50% | ±3%Vout,typ. |
| 紋波&噪音 | <3%Vout |
| 過載保護 | 120%~200% |
| 短路保護 | 打嗝模式 |
| 短路恢複 | 自恢複 |
| General 一般特性 | |
|---|---|
| 隔離電壓 | |
| 輸入與輸出 | 1500Vdc/min. |
| 輸入與外殼 | 1500Vdc/min. |
| 輸出與外殼 | 500Vdc/min. |
| 絕緣阻抗(輸入與輸出) | 100MΩ/min. |
| 絕緣電容(輸入與輸出) | 1000PF,typ. |
| 重量 | 50g,typ. |
| 儲存溫度 | -55℃~+125℃ |
| 開關頻率 | 330KHz,typ. |
| 效率 | 90%,typ. |
| 溫度系數 | ±0.02%/℃ |
| 相對濕度(無結露) | 95% R.H. |
| 過溫保護 | 105℃,typ. |
| 過溫恢複 | 95℃,typ. |

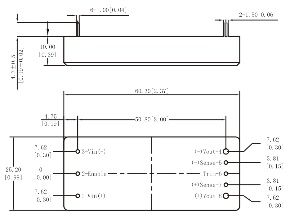
| 引腳定義 | |
|---|---|
| 引腳 | 命名 |
| 1 | Vin+ |
| 2 | Enable |
| 3 | Vin- |
| 4 | Vout- |
| 5 | Sense- |
| 6 | Trim |
| 7 | Sense+ |
| 8 | Vout+ |
注意:
1. 所有尺寸标注單位爲毫米(英寸)。
2. 引腳4、8直徑1.50mm.(0.06in.)。
3. 其餘引腳直徑1.00mm.(0.04in.)。
4. 公差:x.x±0.5mm(x.xx±0.02in.)。
x.xx±0.25mm(x.xx±0.01in.)。
| 模塊型号 | 輸入電壓(Vdc) | 輸出電壓(Vdc) | 輸出電流(A) | 輸出紋波 (峰-峰值) |
效率(典型) |
| SK28150H24S-A | 28(16~40Vdc) | 24 | 6.25 | <160mV | 91% |
| SK28150H28S-A | 28 | 5.35 | <180mV | 91% | |
| SK28300H28S-A | 28 | 1.07 | <180mV | 92% | |
| SK28V100H05S-A | 28V(9~40Vdc) | 5 | 20.0 | <120mV | 90% |