
| Input輸入特性 | |||
|---|---|---|---|
| 輸入電壓範圍 | 輸入浪湧電壓(<100ms) | 輸入啓動閥值 | 欠壓關斷閥值 |
| 160(100~200Vdc) | 220Vdc | 95Vdc,typ | 85Vdc,typ |
| 270(200~400Vdc) | 450Vdc | 190Vdc,typ | 170Vdc,typ |
| 400(300~450Vdc) | 500Vdc | 290Vdc,typ | 240Vdc,typ |
| 使能端(開/關)控制 | 正/負邏輯 |
| 正邏輯-開 | 2.5~18Vdc或懸空 |
| 負邏輯-開 | -2V~0.7Vdc或與-Vin短接 |
| Output輸出特性 | |
|---|---|
| 輸出電壓精度 | ±1%,max. |
| 輸出功率 | 120~400W |
| 輸出電壓調節範圍 | -20%~+10%Vout,typ. |
| 輸出過壓保護 | 120%Vout,typ. |
| 源效應(電壓調整率) | ±1%,typ. |
| 負載效應(負載調整率) | ±1%,typ. |
| 瞬态響應 50%-75%-50% | ±6%Vout,typ. |
| 紋波&噪音 | <1%Vout |
| 過載保護 | 120%額定負載,typ. |
| 短路保護 | 打嗝模式 |
| 短路恢複 | 自恢複 |
| General 一般特性 | |
|---|---|
| 隔離電壓 | |
| 輸入與輸出 | 1500Vdc/min. |
| 輸入與外殼 | 1500Vdc/min. |
| 輸出與外殼 | 500Vdc/min. |
| 絕緣電阻(輸入與輸出) | ≥100MΩ/min. |
| 絕緣電容(輸入與輸出) | 1000PF,typ. |
| 重量 | 135g,typ. |
| 儲存溫度 | -55℃~+125℃ |
| 開關頻率 | 200KHz,typ. |
| 效率 | 92%,typ. |
| 溫度系數 | ±0.02%/℃ |
| 相對濕度(無結露) | 95% R.H. |
| 過溫保護 | 105℃,typ. |
| 過溫恢複 | 95℃,typ. |

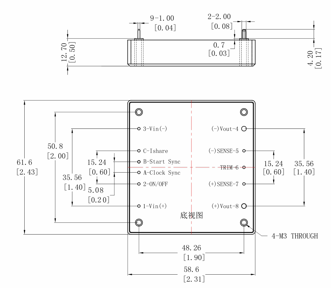
| 引腳 | 命名 |
|---|---|
| 1 | Vin+ |
| 2 | Enable |
| A | Clock Sync |
| B | Start Sync |
| C | Ishare |
| 3 | Vin- |
| 4 | Vout- |
| 5 | Sense- |
| 6 | Trim |
| 7 | Sense+ |
| 8 | Vout+ |
注意:
1. 所有尺寸标注單位爲毫米(英寸)。
2.引腳4、8直徑2.00mm. (0.08in.) 。
3.其餘引腳直徑1.00mm. (0.04in.) 。
4.公差:x.x ±0.4mm (x.xx±0.02in.) 。
x.xx±0.25mm (x.xx±0.01in. ) 。
| 模塊型号 | 輸入電壓(Vdc) | 輸出電壓(Vdc) | 輸出電流(A) | 輸出紋波 (峰-峰值) |
效率(典型) |
| SL160400H28S | 160(100~200Vdc) | 28 | 14.3 | <200mV | 93% |
| SL270120H3R3S | 270(200~400Vdc) | 3.3 | 36.4 | <100mV | 87% |
| SL270200H05S | 5 | 40 | <300mV | 89% | |
| SL270200H06S | 6 | 33.3 | <150mV | 91% | |
| SL270400H10S | 10 | 40 | <150mV | 92% | |
| SL270400H12S | 12 | 33.3 | <120mV | 92% | |
| SL270400H15S | 15 | 26.6 | <150mV | 93% | |
| SL270400H18S | 18 | 22.2 | <120mV | 93% | |
| SL270400H24S | 24 | 16.6 | <150mV | 92% | |
| SL270400H28S | 28 | 14.3 | <150mV | 92% | |
| SL270400H36S | 36 | 11.1 | <300mV | 93% | |
| SL270400H48S | 48 | 8.33 | <300mV | 94% | |
| SL270W250H05S | 270W(155~425Vdc) | 5 | 50 | <300mV | 90% |
| SL400200H05S | 400(300~450Vdc) | 5 | 40 | <75mV | 89% |
| SL400400H12S | 12 | 33.3 | <150mV | 92% | |
| SL400400H28S | 28 | 14.3 | <280mV | 92% | |
| SL400400H43S | 43 | 9.3 | <300mV | 93% | |
| SL400400H48S | 48 | 8.33 | <300mV | 94% |