
| Input輸入特性 | |||
|---|---|---|---|
| 輸入電壓範圍 | 輸入浪湧電壓(<100ms) | 輸入啓動閥值 | 欠壓關斷閥值 |
| 160(100~200Vdc) | 230Vdc | 95Vdc,typ | 85Vdc,typ |
| 270(200~400Vdc) | 475Vdc | 190Vdc,typ | 180Vdc,typ |
| 270W(155~425Vdc) | 475Vdc | 150Vdc,typ | 140Vdc,typ |
| 400(300~450Vdc) | 520Vdc | 295Vdc,typ | 280Vdc,typ |
| 使能端(開/關)控制 | 正/負邏輯 |
| 正邏輯-開 | 2.5~10Vdc或懸空 |
| Output輸出特性 | |
|---|---|
| 輸出電壓精度 | ±1%,max. |
| 輸出功率 | 120~200W |
| 輸出電壓調節範圍 | ±10%Vout,typ. |
| 輸出過壓保護 | 120%Vout,typ. |
| 源效應(電壓調整率) | ±0.3%,typ. |
| 負載效應(負載調整率) | ±0.3%,typ. |
| 瞬态響應 50%-75%-50% | ±5%Vout,typ. |
| 紋波&噪音 | ≤1%Vout |
| 過載保護 | 110%額定負載,typ. |
| 短路保護 | 打嗝模式 |
| 短路恢複 | 自恢複 |
| General 一般特性 | |
|---|---|
| 隔離電壓 | |
| 輸入與輸出 | 1500Vdc/min. |
| 輸入與外殼 | 1500Vdc/min. |
| 輸出與外殼 | 500Vdc/min. |
| 絕緣電阻(輸入與輸出) | 100MΩ/min. |
| 絕緣電容(輸入與輸出) | 1000PF,typ. |
| 重量 | 100g,typ. |
| 儲存溫度 | -55℃~+125℃ |
| 開關頻率 | 200KHz,typ. |
| 效率 | 93%,typ. |
| 溫度系數 | ±0.02%/℃ |
| 相對濕度(無結露) | 95% R.H. |
| 過溫保護 | 105℃,typ. |
| 過溫恢複 | 95℃,typ. |
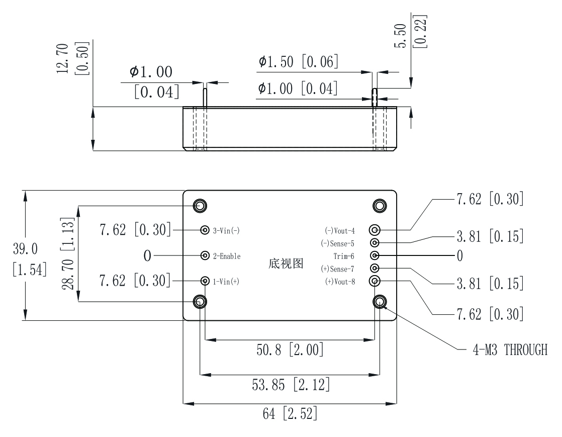
(引腳B定義)

(引腳A定義)

| 引腳B定義 | |
|---|---|
| 引腳 | 命名 |
| 1 | Vin+ |
| 2 | Enable |
| 3 | Vin- |
| 4 | Vout- |
| 5 | Sense- |
| 6 | Trim |
| 7 | Sense+ |
| 8 | Vout+ |
注意:
1. 所有尺寸标注單位爲毫米(英寸)。
2. 4、8引腳直徑2.00mm. (0.06in.) 。
3. 其餘引腳直徑1.02mm.(0.04in.)。
4. 公差:x.x±0.4mm(x.xx±0.02in.)
x.xx±0.25mm(x.xx±0.01in.)。
| 引腳A定義 | |||
|---|---|---|---|
| 引腳 | 命名 | 引腳 | 命名 |
| 1 | Sync-In | 7 | Enable 2 |
| 2 | Sync-Out | 8 | Share |
| 3 | Enable 1 | 9 | Sense+ |
| 4 | Case | 10 | Sense- |
| 5 | Vin- | 11 | Vout- |
| 6 | Vin+ | 12 | Vout- |
注意:
1. 所有尺寸标注單位爲毫米(英寸)。
2. 所有引腳直徑1.02mm. (0.04in.) 。
3. 公差:x.x±0.4mm(x.xx±0.02in.)
x.xx±0.25mm(x.xx±0.01in.)。
| 模塊型号 | 輸入電壓(Vdc) | 輸出電壓(Vdc) | 輸出電流(A) | 輸出紋波 (峰-峰值) |
效率(典型) |
| SN160120H05S-B | 160(100~200Vdc) | 5 | 24 | <200mV | 89% |
| SN270100H3R3S-B | 270(200~400Vdc) | 3.3 | 30.3 | <120mV | 89% |
| SN270120H05S-B | 5 | 24 | <300mV | 89% | |
| SN270120H12S-B | 12 | 10 | <140mV | 93% | |
| SN270120H15S-B | 15 | 8 | <150mV | 91% | |
| SN270120H24S-B | 24 | 5 | <240mV | 93% | |
| SN270150H28S-B | 28 | 5.36 | <280mV | 92% | |
| SN270150H48S-B | 48 | 3.13 | <450mV | 93% | |
| SN270W150H05S-B | 270W(155~425Vdc) | 5 | 30 | <180mV | 93% |
| SN270W150H06S-B | 6 | 25 | <180mV | 92% | |
| SN270W150H12S-B | 12 | 12.5 | <200mV | 92% | |
| SN270W150H15S-B | 15 | 10 | <200mV | 93% | |
| SN270W150H24S-B | 24 | 6.25 | <240mV | 92% | |
| SN270W200H28S-B | 28 | 7.14 | <350mV | 94% | |
| SN270W150H48S-B | 48 | 3.12 | <350mV | 89% | |
| SN400120H28S-B | 400(300~450Vdc) | 28 | 4.3 | <500mV | 91% |